品牌:钲铭科
大小:13cmx13cm
尺寸:13寸
规格:ESOP8
起订:1PCS
供应:100000PCS
发货:3天内
立即购买
SM2091E/T 是一款单通道高精度 LED 线性恒流控制芯片,芯片使用本司专利的恒流控
制技术,可通过外部电阻精确的设定 LED 电流。芯片集成输入线电压补偿功能,在额
定输入电压范围内,通过外置电阻调节输出电流大小,维持输入功率恒定。芯片具有过
温调节功能,提升系统应用可靠性。系统结构简单,外围元件少,方案成本低。

SM2091E/T 是一款单通道高精度 LED 线性恒流控制芯片,内部集成 LED 恒流控制模块
、OUT 端口高压驱动模块
等功能模块,可通过外部电阻精确的设定 LED 电流。芯片集成了线电压补偿功能,在
额定输入电压范围内,通过外置电阻调节输出电流大小,维持输入功率恒定。

SM2091E主要功能特点:
out端口输出电流外置可调,最大电流可达80mA
芯片间输出电流偏差<±4%;
输入电压:120Vac/220Vac.
高PF方案:PF>0.9
低PF方案:PF>0.5无频闪。
输入线电压补偿,在额定的输入电压范围内,通过外置电阻调节输出电流大小,维持输

入功率恒定。
1.方案成本低,系统结构简单。
2.外围元器件少,没有电解电容。
3.可以灯芯合一,可已pcb板共用。
4.具有过温过压保护。
5.寿命长,稳定性好,适合自动化生产。
封装形式:ESOP8.SOT89-5;
应用领域:
LED球泡灯,筒灯,LED光源。
LED高低压灯带,软灯带
有需要订购的朋友请联系钲铭科电子,提供方案技术支持,免费拿样4000336518
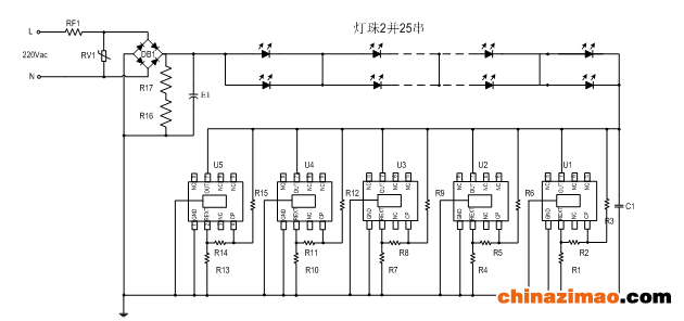
钲铭科高压线性恒流芯片SM2091E在高压灯条中的应用
