品牌:钲铭科
大小:13cmx13cm
尺寸:13寸
规格:SOT23
起订:1PCS
供应:100000PCS
发货:3天内
立即购买
SM15121T是输出电流可调、高性价比的单通道LED恒流驱动芯片,具有宽电源电压范围输入、低阈值电压开启特点。解决因电源电压衰减造成的LED灯带亮度不一致问题。
SM15121T内置内部电源启动模块、电压基准模块、输出电流设置和驱动模块。SM15121T输出电流默认18mA、也可通过外置REXT电阻调至18~108mA。芯片输出电流精度高、且恒流值不随OUT端口电压波动而变化。同时芯片输出电流具有负温度特性,来保护LED不受极端电压和电流的热控制,提高实际应用的可靠性。
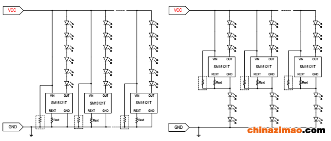
SM15121T是一款即插即亮的产品,外围极为简单、可做级联应用、扩流应用及并联应用,应用极为灵活。
恒流驱动芯片SM15121T:特点
输入电源电压:2~40Vdc
输出电流范围:
REXT 悬空,IOUT=18mA;
REXT 外接电阻,IOUT=18~108mA 可调
OUT 端口耐压:40V
输出电流精度:± 5%
REXT 电阻外置,电流可调
恒流拐点电压低:
20mA@VOUT_S=0.40V,VIN=5.0V;
40mA@VOUT_S=0.50V,VIN=5.0V;
60mA@VOUT_S=0.60V,VIN=5.0V;
108mA@VOUT_S=0.85V,VIN=5.0V;
输出电流负温度特性
线路简单、应用灵活,成本低
封装形式:SOT23-5
恒流驱动芯片SM15121T应用领域
模组、软灯带
室内外装饰、汽车装饰
有需要联系订购的朋友请联系钲铭科电子,提供方案技术支持,免费拿样4000336518
或者联系13802567304 林先生
驱动芯片钲铭科SM15121T在软灯带方案上的应用
